

MCGILL CFH-3-B,CFH-3-SB CAMROL CAM FOLLOWER BEARINGS CFH-B AND CFH-SB SERIES HEAVY STUD
MCGILL CFH-3-B,CFH-3-SB Description
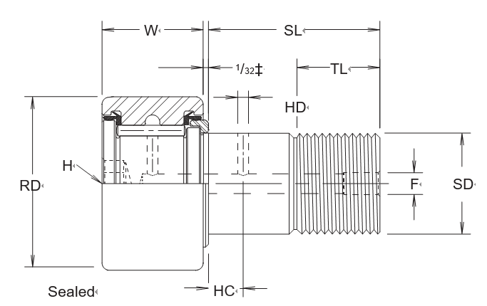
| Â UNSEALED BRG. NO. | Â SEALED BRG. NO. | ROLLER DIA. (RD) +.000 -.001 | ROLLER WIDTH (W) +.000 -.005 | STUD DIA. (SD) +.001 -.000 | Â STUD L’GTH. (SL) | Â MIN. THR’D. L’GTH. (TL) | Â Â FINE THR’DS. | OIL HOLE | LUB. FIT- TING SIZE (F) | Â MIN. BOSS DIA. | HOUSING BORE DIA. +.0002 -.0003 | **RECOM. CLAMPING TORQUE LBS.- IN. | Â MAX. STATIC CAPACITY LBS. | Â BASIC DYN. RATING LBS. | |
| HOLE CENTER (HC) | HOLE DIA. (HD) | ||||||||||||||
| CFH-1/2-B | CFH-1/2-SB | .500 | .375 | .250 | 5/8 | 1/4 | 1/4-28 | – | – | – | 13/32 | .2503 | 35 | 1580 | 680 |
| CFH-9/16-B | CFH-9/16-SB | .5625 | .375 | .250 | 5/8 | 1/4 | 1/4-28 | – | – | – | 13/32 | .2503 | 35 | 1580 | 680 |
| CFH-5/8-B | CFH-5/8-SB | .625 | .4375 | .3125 | 3/4 | 5/16 | 5/16- 24 | – | – | – | 15/32 | .3128 | 90 | 2480 | 955 |
| CFH-11/16-B | CFH-11/16-SB | .6875 | .4375 | .3125 | 3/4 | 5/16 | 5/16-24 | – | – | – | 15/32 | .3128 | 90 | 2480 | 955 |
| CFH-3/4-B | CFH-3/4-SB | .750 | .500 | .4375 | 7/8 | 3/8 | 7/16-20 | 1/4 | 3/32 | 3/16 | 39/64 | .4378 | 250 | 4130 | 1660 |
| CFH-7/8-B | CFH-7/8-SB | .875 | .500 | .4375 | 7/8 | 3/8 | 7/16-20 | 1/4 | 3/32 | 3/16 | 39/64 | .4378 | 250 | 4130 | 1660 |
| CFH-1-B | CFH-1-SB | 1.000 | .625 | .625 | 1 | 1/2 | 5/8-18 | 1/4 | 3/32 | 3/16 | 25/32 | .6253 | 650 | 6120 | 2225 |
| CFH-1 1/8-B | CFH-1 1/8-SB | 1.125 | .625 | .625 | 1 | 1/2 | 5/8-18 | 1/4 | 3/32 | 3/16 | 25/32 | .6253 | 650 | 6120 | 2225 |
| CFH-1 1/4-B | CFH-1 1/4-SB | 1.250 | .750 | .750 | 1 1/4 | 5/8 | 3/4-16 | 5/16 | 3/32 | 3/16 | 63/64 | .7503 | 1250 | 8500 | 3930 |
| CFH-1 3/8-B | CFH-1 3/8-SB | 1.375 | .750 | .750 | 1 1/4 | 5/8 | 3/4-16 | 5/16 | 3/32 | 3/16 | 63/64 | .7503 | 1250 | 8500 | 3930 |
| CFH-1 1/2-B | CFH-1 1/2-SB | 1.500 | .875 | .875 | 1 1/2 | 3/4 | 7/8-14 | 3/8 | 3/32 | 3/16 | 1 3/32 | .8753 | 1500 | 11280 | 4840 |
| CFH-1 5/8-B | CFH-1 5/8-SB | 1.625 | .875 | .875 | 1 1/2 | 3/4 | 7/8-14 | 3/8 | 3/32 | 3/16 | 1 3/32 | .8753 | 1500 | 11280 | 4840 |
| CFH-1 3/4-B | CFH-1 3/4-SB | 1.750 | 1.000 | 1.000 | 1 3/4 | 7/8 | 1-14 | 7/16 | 3/32 | 3/16 | 1 1/4 | 1.0003 | 2250 | 15840 | 6385 |
| CFH-1 7/8-B | CFH-1 7/8-SB | 1.875 | 1.000 | 1.000 | 1 3/4 | 7/8 | 1-14 | 7/16 | 3/32 | 3/16 | 1 1/4 | 1.0003 | 2250 | 15840 | 6385 |
| CFH-2-B | CFH-2-SB | 2.000 | 1.250 | 1.125 | 2 | 1 | 1 1/8-12 | 1/2 | 1/8 | 3/16 | 1 13/32 | 1.1253 | 2800 | 21140 | 8090 |
| CFH-2 1/4-B | CFH-2 1/4-SB | 2.250 | 1.250 | 1.125 | 2 | 1 | 1 1/8-12 | 1/2 | 1/8 | 3/16 | 1 13/32 | 1.1253 | 2800 | 21140 | 8090 |
| CFH-2 1/2-B | CFH-2 1/2-SB | 2.500 | 1.500 | 1.250 | 2 1/4 | 1 1/8 | 1 1/4-12 | 9/16 | 1/8 | 3/16 | 1 11/16 | 1.2503 | 3450 | 32900 | 11720 |
| CFH-2 3/4-B | CFH-2 3/4-SB | 2.750 | 1.500 | 1.250 | 2 1/4 | 1 1/8 | 1 1/4-12 | 9/16 | 1/8 | 3/16 | 1 11/16 | 1.2503 | 3450 | 32900 | 11720 |
| CFH-3-B | CFH-3-SB | 3.000 | 1.750 | 1.500 | 2 1/2 | 1 1/4 | 1 1/2-12 | 5/8 | 1/8 | â?1/4 | 2 1/8 | 1.5003 | 5000 | 49820 | 15720 |
| CFH-3 1/4-B | CFH-3 1/4-SB | 3.250 | 1.750 | 1.500 | 2 1/2 | 1 1/4 | 1 1/2-12 | 5/8 | 1/8 | â?1/4 | 2 1/8 | 1.5003 | 5000 | 49820 | 15720 |
| CFH-3 1/2-B | CFH-3 1/2-SB | 3.500 | 2.000 | 1.750 | 2 3/4 | 1 3/8 | 1 3/4-12 | 11/16 | 1/8 | â?1/4 | 2 7/16 | 1.7503 | 5000 | 63250 | 22800 |
| CFH-4-B | CFH-4-SB | 4.000 | 2.250 | 2.000 | 3 1/2 | 1 1/2 | 2-12 | 3/4 | 1/8 | â?1/4 | 2 51/64 | 2.0003 | 5000 | 89540 | 29985 |
Cam followers with hex holes, with and without
LUBRI-DISC® seals

See page 15 for hex wrench sizes.

â?/16″ on CFH-5-S, CFH-6-S, CFH-7-S
MCGILL CFH-3-B,CFH-3-SB Nots
Clamping torque is based on dry threads. If threads are lubricated, use half of values shown.
Lubrication hole (F) at bottom of hex hole and 1/4 inch straight drive fitting with ball check supplied but not installed.
Hex hole standard on sizes above CFH-4-SB.
See page 26 for bearing dimensions.

