

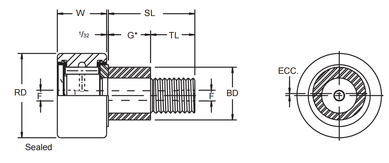
MCGILL CFE-1/2- N-B,CFE-1/2-N-SB GENERAL ENGINEERING SECTION CFE-B And CFE-SB SERIES
MCGILL CFE-1/2- N-B,CFE-1/2-N-SB Description
| UNSEALED BRG. NO. | SEALED BRG. NO. | ROLLER DIA. (RD) +.000 -.001 | ROLLER WIDTH (W) +.000 -.005 | BUSH. L’GTH (G*) +.000 -.010 | BUSH. DIA. (BD) ±.001 | STUD L’GTH. (SL) | MIN. THR’D L’GTH. (TL) |
FINE THR’DS. |
ECC. | LUB. FIT- TING SIZE (F) | ***RECOM. CLAMPING TORQUE LBS.- IN. | MAX. STATIC CAPACITY LBS. | BASIC DYN. RATING LBS. |
| CFE-1/2- N-B | CFE-1/2-N-SB | .500 | .344 | .250 | .250 | 1/2 | 1/4 | 10-32 | .010 | – | 15 | 720 | 620 |
| CFE-1/2-B | CFE-1/2-SB | .500 | .375 | .375 | .250 | 5/8 | 1/4 | 10-32 | .010 | – | 15 | 790 | 680 |
| CFE-9/16-B | CFE-9/16-SB | .5625 | .375 | .375 | .250 | 5/8 | 1/4 | 10-32 | .010 | – | 15 | 790 | 680 |
| CFE-5/8-B | CFE-5/8-SB | .625 | .4375 | .437 | .375 | 3/4 | 5/16 | 1/4-28 | .015 | – | 35 | 1215 | 955 |
| CFE-11/16-B | CFE-11/16-SB | .6875 | .4375 | .437 | .375 | 3/4 | 5/16 | 1/4-28 | .015 | – | 35 | 1215 | 955 |
| CFE-3/4-B | CFE-3/4-SB | .750 | .500 | .500 | .500 | 7/8 | 3/8 | 3/8-24 | .015 | 3/16 | 95 | 2065 | 1660 |
| CFE-7/8-B | CFE-7/8-SB | .875 | .500 | .500 | .500 | 7/8 | 3/8 | 3/8-24 | .015 | 3/16 | 95 | 2065 | 1660 |
| CFE-1-B | CFE-1-SB | 1.000 | .625 | .500 | .625 | 1 | 1/2 | 7/16-20 | .030 | 3/16 | 250 | 3060 | 2225 |
| CFE-1 1/8-B | CFE-1 1/8-SB | 1.125 | .625 | .500 | .625 | 1 | 1/2 | 7/16-20 | .030 | 3/16 | 250 | 3060 | 2225 |
| CFE-1 1/4-B | CFE-1 1/4-SB | 1.250 | .750 | .625 | .687 | 1 1/4 | 5/8 | 1/2-20 | .030 | 3/16 | 350 | 4250 | 3930 |
| CFE-1 3/8-B | CFE-1 3/8-SB | 1.375 | .750 | .625 | .687 | 1 1/4 | 5/8 | 1/2-20 | .030 | 3/16 | 350 | 4250 | 3930 |
| CFE-1 1/2-B | CFE-1 1/2-SB | 1.500 | .875 | .750 | .875 | 1 1/2 | 3/4 | 5/8-18 | .030 | 3/16 | 650 | 5640 | 4840 |
| CFE-1 5/8-B | CFE-1 5/8-SB | 1.625 | .875 | .750 | .875 | 1 1/2 | 3/4 | 5/8-18 | .030 | 3/16 | 650 | 5640 | 4840 |
| CFE-1 3/4-B | CFE-1 3/4-SB | 1.750 | 1.000 | .875 | 1.000 | 1 3/4 | 7/8 | 3/4-16 | .030 | 3/16 | 1250 | 7920 | 6385 |
| CFE-1 7/8-B | CFE-1 7/8-SB | 1.875 | 1.000 | .875 | 1.000 | 1 3/4 | 7/8 | 3/4-16 | .030 | 3/16 | 1250 | 7920 | 6385 |
| CFE-2-B | CFE-2-SB | 2.000 | 1.250 | 1.000 | 1.187 | 2 | 1 | 7/8-14 | .030 | 3/16 | 1500 | 10570 | 8090 |
| CFE-2 1/4-B | CFE-2 1/4-SB | 2.250 | 1.250 | 1.000 | 1.187 | 2 | 1 | 7/8-14 | .030 | 3/16 | 1500 | 10570 | 8090 |
| CFE-2 1/2-B | CFE-2 1/2-SB | 2.500 | 1.500 | 1.125 | 1.375 | 2 1/4 | 1 1/8 | 1-14 | .030 | 3/16 | 2250 | 16450 | 11720 |
| CFE-2 3/4-B | CFE-2 3/4-SB | 2.750 | 1.500 | 1.125 | 1.375 | 2 1/4 | 1 1/8 | 1-14 | .030 | 3/16 | 2250 | 16450 | 11720 |
| CFE-3-B | CFE-3-SB | 3.000 | 1.750 | 1.250 | 1.750 | 2 1/2 | 1 1/4 | 1 1/4-12 | .060 | â?1/4 | 3450 | 24910 | 15720 |
| CFE-3 1/4-B | CFE-3 1/4-SB | 3.250 | 1.750 | 1.250 | 1.750 | 2 1/2 | 1 1/4 | 1 1/4-12 | .060 | â?1/4 | 3450 | 24910 | 15720 |
| CFE-3 1/2-B | CFE-3 1/2-SB | 3.500 | 2.000 | 1.375 | 1.812 | 2 3/4 | 1 3/8 | 1 3/8-12 | .060 | â?1/4 | 4200 | 31625 | 22800 |
| CFE-4-B | CFE-4-SB | 4.000 | 2.250 | 2.000 | 2.000 | 3 1/2 | 1 1/2 | 1 1/2-12 | .060 | â?1/4 | 5000 | 44770 | 29985 |
Cam followers with eccentric studs and hex holes,
with and without LUBRI-DISC® seals

See page 15 for hex
wrench sizes.

MCGILL CFE-1/2- N-B,CFE-1/2-N-SB Nots
For positive clamping, use housing thickness equal to G dimension +.010. Bushing press fit on stem and unhardened to permit dowel or set screw for permanent locking.
See page 15 for recommended housing bore diameter.
Clamping torque is based on dry threads. If threads are lubricated, use half of values shown.
Lubrication hole (F) at bottom of hex hole and 1/4 inch straight drive fitting with ball check supplied but not installed.
