

IKO MAGFT 8 C-Lube Linear Ball Spline MAG
IKO MAGFT 8 Description
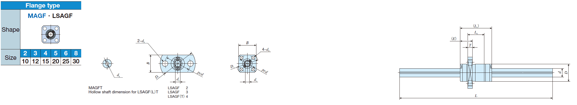
| Identification number | Interchangeable | Mass (Ref.) g | External cylinder dimensions and tolerances mm | Spline shaft dimensions and tolerances mm | Basic dynamic load rating(4)
C N | Basic static load rating(4)
C0 N | Dynamic torque rating(4)
T N・m | Static torque rating(4)
T0 N・m | Static moment rating(4) | ||||||||||||||||||
| MAG series | LSAG series (No C-Lube) | External cylinder | Spline shaft (per 100 mm) | L1 | L2 | D1 | B | E | T | pcd | d3 | d(1 2) | d2 | TX N・m | TY N・m | ||||||||||||
| D | Dim. D tolerance | d | Dim. d tolerance | L(3) | Maximum length | ||||||||||||||||||||||
| - | LSAGF 2(1) | - | 1.9 | 2.3 | 6 | 0 -0.008 | 8.5 | 4.7 | 15.5 | 8 | 3.4 | 1.5 | 11 | 2.4 | 2 | 0 -0.010 | 1.2 | - | 50 100 | 100 | 222 | 237 | 0.28 | 0.30 | 0.22 1.4 | 0.39 2.4 | |
| - | LSAGF 3(1) | - | 3.7 | 5.4 | 7 | 0 -0.009 | 10 | 5.9 | 18 | 9 | 4 | 1.9 | 13 | 2.9 | 3 | 0 -0.010 | 2.2 | - | 100 150 | 150 | 251 | 285 | 0.45 | 0.51 | 0.31 1.9 | 0.53 3.3 | |
| - | LSAGF 4(1) | - | 5.1 | 9.6 | 8 | 0 -0.009 | 12 | 7.9 | 21 | 10 | 4.6 | 2.5 | 15 | 3.4 | 4 | 0 -0.012 | 3.2 | - | 100 150 | 200 | 303 | 380 | 0.70 | 0.87 | 0.52 2.9 | 0.90 5.0 | |
| - | LSAGFT 4(1) | - | 8.2 | 1.5 | 150 | ||||||||||||||||||||||
| MAGF 5 | LSAGF 5 | ○ | 8.9 | 14.9 | 10 | 0 -0.009 | 18 | 9.4 | 23 | 18 | 7 | 2.7 | 17 | 3.4 | 5 | 0 -0.012 | 4.2 | - | 100 150 | 200 | 587 | 641 | 1.8 | 1.9 | 1.0 7.9 | 1.8 13.6 | |
| MAGFT 5 | LSAGFT 5 | ○ | 12.4 | 2 | |||||||||||||||||||||||
| - | LSAGFL 5 | ○ | 12 | 14.9 | 26 | 16.9 | - | 879 | 1 180 | 2.6 | 3.5 | 3.2 19.3 | 5.5 33.4 | ||||||||||||||
| - | LSAGFLT 5 | ○ | 12.4 | 2 | |||||||||||||||||||||||
| MAGF 6 | LSAGF 6 | ○ | 13.9 | 19 | 12 | 0 -0.011 | 21 | 12.4 | 25 | 20 | 7 | 2.7 | 19 | 3.4 | 6 | 0 -0.012 | 5.2 | - | 150 200 | 300 | 711 | 855 | 2.5 | 3.0 | 1.7 11.7 | 3.0 20.3 | |
| MAGFT 6 | LSAGFT 6 | ○ | 16.5 | 2 | |||||||||||||||||||||||
| - | LSAGFL 6 | ○ | 19.5 | 19 | 30 | 21.4 | - | 1 030 | 1 500 | 3.6 | 5.2 | 5.0 27.6 | 8.6 47.8 | ||||||||||||||
| - | LSAGFLT 6 | ○ | 16.5 | 2 | |||||||||||||||||||||||
| MAGF 8 | LSAGF 8 | ○ | 23.5 | 39 | 15 | 0 -0.011 | 25 | 14.6 | 28 | 22 | 9 | 3.8 | 22 | 3.4 | 8 | 0 -0.015 | 7 | - | 150 200 250 | 500 | 1 190 | 1 330 | 5.5 | 6.2 | 3.3 22.0 | 5.6 38.1 | |
| MAGFT 8 | LSAGFT 8 | ○ | 33 | 3 | 400 | ||||||||||||||||||||||
| - | LSAGFL 8 | ○ | 34.1 | 39 | 37 | 26.6 | - | 500 | 1 800 | 2 470 | 8.4 | 11.5 | 10.3 56.3 | 17.8 97.5 | |||||||||||||
| - | LSAGFLT 8 | ○ | 33 | 3 | 400 | ||||||||||||||||||||||

IKO MAGFT 8 Nots
Notes (1) No seal is included.
(2) d1 represents the maximum diameter for end machining. (Perform annealing if end machining will be performed.)
(3) Represents standard length. We can produce other than the standard length, please specify the length of spline shaft by indicating
the length in mm with the identification number.
(4) The direction of basic dynamic load rating (C), basic static load rating (C0), dynamic torque rating (T ), static torque rating and static
moment rating (T0, TX, TY) are shown in the sketches below.
The upper values of TX and TY are for one external cylinder and the lower values are for two external cylinders inclose contact.
IKO MAGFT 8 Example of identification number of assembled set



