

IKO LWH 30-SL C-Lube Linear Way MH
IKO LWH 30-SL Description
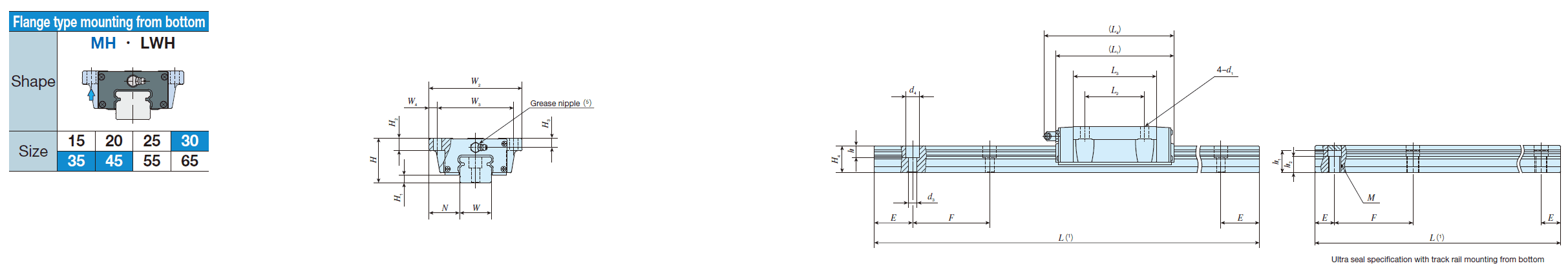
| Identification number | Interchangeable | Mass (Ref.) | Dimensions of assembly mm | Dimensions of slide unit mm | Dimensions of track rail mm | Appended mounting bolt for track rail(3) mm
Bolt size×R | Basic dynamic load rating(4)
C N | Basic static load rating(4)
C0 N | Static moment rating(4) | |||||||||||||||||||||||||
| MH series | LWH series (No C-Lube) | Slide unit kg | Track rail kg/m | H | H1 | N | W2 | W3 | W4 | L1 | L2 | L3 | L4 | d1 | H2 | H3 | W | H4 | d3 | d4 | h | M | h(1 2) | h2 | E | F | T0 N・m | TX N・m | TY N・m | |||||
| MH 30 | ○ |
1.28 |
4.82 |
42 | 9 |
31 |
90 |
72 |
9 |
113 |
52 |
80.6 |
123 |
9 |
10 |
8 |
28 |
25 |
9 |
14 |
12 |
- |
- |
- |
40 |
80 |
M 8×28 |
35 400 |
40 700 |
623 |
536 2 820 |
536 2 820 | ||
| LWH 30…B | ○ |
7 | ||||||||||||||||||||||||||||||||
| - | LWH 30…SL | ○ | ||||||||||||||||||||||||||||||||
| MH 30…M* | - | |||||||||||||||||||||||||||||||||
| LWH 30…M* | - | |||||||||||||||||||||||||||||||||
| MH 30…MU* | - | - | - | - | M12 | 20 | 13 | - | ||||||||||||||||||||||||||
| LWH 30…MU* | - | |||||||||||||||||||||||||||||||||
| MHG 30 | ○ | 1.69 | 9 | 139 | 106.6 | 149 | 9 | 14 | 12 | - | - | - | M 8×28 | 42 700 | 53 200 | 814 | 894 4 460 | 894 4 460 | ||||||||||||||||
| LWHG 30 | ○ | 7 | ||||||||||||||||||||||||||||||||
| MH 35 | ○ |
1.79 |
6.85 |
48 | 10 |
33 |
100 |
82 |
9 |
123 |
62 |
86.2 |
135 |
9 |
13 |
10 |
34 |
28 | 9 | 14 | 12 | - | - | - |
40 |
80 | M 8×28 |
48 700 |
53 700 |
823 |
631 3 480 |
579 3 190 | ||
| LWH 35…B | ○ | 8 | ||||||||||||||||||||||||||||||||
| - | LWH 35…M* | - | ||||||||||||||||||||||||||||||||
| - | LWH 35…MU* | - | - | - | - | M12 | 23 | 16 | - | |||||||||||||||||||||||||
| MHG 35 | ○ | 2.35 | 10 | 151 | 114 | 163 | 9 | 14 | 12 | - | - | - | M 8×28 | 59 500 | 71 600 | 1 100 | 1 090 5 570 | 1 000 5 110 | ||||||||||||||||
| LWHG 35 | ○ | 8 | ||||||||||||||||||||||||||||||||
| MH 45 | ○ |
3.17 |
10.7 |
60 | 13 |
37.5 |
120 |
100 |
10 |
147 |
80 |
103.4 |
158 |
11 |
15 |
13 |
45 |
34 | 14 | 20 | 17 | - | - | - |
52.5 |
105 | M12×35 |
74 600 |
80 200 |
1 610 |
1 150 6 190 |
1 060 5 690 | ||
| LWH 45…B | ○ | 14 | ||||||||||||||||||||||||||||||||
| - | LWH 45…M* | - | 10 | |||||||||||||||||||||||||||||||
| - | LWH 45…MU* | - | - | - | - | M16 | 29 | 17 | - | |||||||||||||||||||||||||
| MHG 45 | ○ | 4.34 | 13 | 190 | 146.6 | 201 | 14 | 20 | 17 | - | - | - | M12×35 | 95 200 | 114 000 | 2 280 | 2 240 11 100 | 2 050 10 200 | ||||||||||||||||
| LWHG 45 | ○ | 14 | ||||||||||||||||||||||||||||||||

IKO LWH 30-SL Nots
Notes (1) Track rail lengths L are shown in Table 2.1 on page Ⅱ-93, Table 2.2 on page Ⅱ-94, and Tables 2.3 and 2.4 on page Ⅱ-95.
(2) Choose bolts whose dimension allow fixing thread depth into track rail to be less than h1.
(3) The appended track rail mounting bolts are hexagon socket head bolts equivalent to JIS B 1176. For stainless steel model, stainless
steel bolts are appended.
In an assembled set of MH series and LWH…MU model, track rail mounting bolts are not appended.
(4) The direction of basic dynamic load rating (C), basic static load rating (C0), and static moment rating (T0, TX, TY) are shown in the
sketches below. The upper values of TX and TY are for one slide unit and the lower values are for two slide units in close contact.
(5) The shapes of grease nipple vary by size. The specifications are shown in Table 16 on page Ⅱ-104.
Remark: The identification numbers with * are our semi-standard items.
IKO LWH 30-SL Example of identification number of assembled set


