

IKO LRXSG 20 C-Lube Linear Roller Way Super MX
IKO LRXSG 20 Description
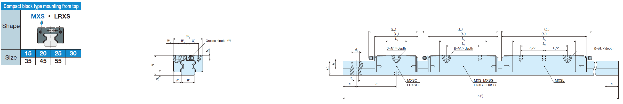
| Identification number | Interchangeable | Mass (Ref.) | Dimensions of assembly mm | Dimensions of slide unit mm | Dimensions of track rail mm | Appended mounting bolt for track rail(3)
Bolt size×R | Basic dynamic load rating(4)
C N | Basic static load rating(4)
C0 N | Static moment rating(4) | |||||||||||||||||||||
| MX series | LRX series (No C-Lube) | Slide unit kg | Track rail kg/m | H | H1 | N | W2 | W3 | W4 | L1 | L2 | L3 | L4 | M1×depth(2) | H3 | W | H4 | d3 | d4 | h | E | F | T0 N・m | TX N・m | TY N・m | |||||
| MXSC 15 | LRXSC 15 | ○ | 0.099 | 1.65 | 24 | 4 | 9.5 | 34 | 13 | 4 | 52 | - | 24 | 55 | M4× 5.5 | 3.5 | 15 | 16.5 | 4.5 | 8 | 6 | 30 | 60 | M4×16 | 7 730 | 12 000 | 113 | 50.6 457 | 50.6 457 | |
| MXS 15 | LRXS 15 | ○ | 0.15 | 68 | 26 | 40 | 71 | 11 500 | 20 000 | 188 | 136 942 | 136 942 | ||||||||||||||||||
| MXSG 15 | LRXSG 15 | ○ | 0.21 | 84 | 56 | 87 | 14 900 | 28 000 | 263 | 262 1 590 | 262 1 590 | |||||||||||||||||||
| MXSC 20 | LRXSC 20 | ○ | 0.21 | 2.73 | 30 | 5 | 12 | 44 | 16 | 6 | 66 | - | 31.6 | 74 | M5× 6.5 | 4 | 20 | 21 | 6 | 9.5 | 8.5 | 30 | 60 | M5×20 | 16 100 | 26 400 | 341 | 150 1 260 | 150 1 260 | |
| MXS 20 | LRXS 20 | ○ | 0.31 | 86 | 36 | 51.6 | 94 | 23 400 | 42 700 | 550 | 379 2 520 | 379 2 520 | ||||||||||||||||||
| MXSG 20 | LRXSG 20 | ○ | 0.42 | 106 | 50 | 71.6 | 114 | 30 100 | 58 900 | 760 | 713 4 200 | 713 4 200 | ||||||||||||||||||
| MXSL 20 | - | - | 0.55 | 128 | 70 | 94.1 | 137 | 37 200 | 77 200 | 996 | 1 210 6 560 | 1 210 6 560 | ||||||||||||||||||
| MXSC 25 | LRXSC 25 | ○ | 0.30 | 3.59 | 36 | 6 | 12.5 | 48 | 17.5 | 6.5 | 74 | - | 36 | 83 | M6× 9 | 5 | 23 | 24.5 | 7 | 11 | 9 | 30 | 60 | M6×25 | 21 600 | 33 800 | 500 | 213 1 810 | 213 1 810 | |
| MXS 25 | LRXS 25 | ○ | 0.47 | 98 | 35 | 60 | 107 | 32 100 | 56 300 | 833 | 573 3 800 | 573 3 800 | ||||||||||||||||||
| MXSG 25 | LRXSG 25 | ○ | 0.57 | 113 | 50 | 75 | 122 | 38 200 | 70 300 | 1 040 | 885 5 380 | 885 5 380 | ||||||||||||||||||
| MXSL 25 | - | - | 0.74 | 137 | 70 | 99 | 146 | 47 400 | 92 800 | 1 370 | 1 530 8 480 | 1 530 8 480 | ||||||||||||||||||
| MXSC 30 | LRXSC 30 | ○ | 0.54 | 5.01 | 42 | 6.5 | 16 | 60 | 20 | 10 | 85 | - | 42.4 | 95 | M8×11 | 6.5 | 28 | 28 | 9 | 14 | 12 | 40 | 80 | M8×28 | 29 200 | 44 600 | 808 | 329 2 740 | 329 2 740 | |
| MXS 30 | LRXS 30 | ○ | 0.83 | 113 | 40 | 70.4 | 123 | 43 400 | 74 400 | 1 350 | 883 5 780 | 883 5 780 | ||||||||||||||||||
| MXSG 30 | LRXSG 30 | ○ | 1.05 | 134 | 60 | 91.4 | 144 | 53 200 | 96 700 | 1 750 | 1 470 8 740 | 1 470 8 740 | ||||||||||||||||||
| MXSL 30 | - | - | 1.37 | 162 | 80 | 119.4 | 172 | 65 600 | 126 000 | 2 290 | 2 500 13 600 | 2 500 13 600 | ||||||||||||||||||

IKO LRXSG 20 Nots
Notes (1) Track rail lengths L are shown in Table 2.1 on page Ⅱ-175 and Table 2.3 on page Ⅱ-176 .
(2) For the fixing thread depth of the slide unit mounting hole, the value indicated in Table 16.1 on page Ⅱ-190 is recommended.
(3) The appended track rail mounting bolts are hexagon socket head bolts equivalent to JIS B 1176. In an assembled set of MX series,
track rail mounting bolts are not appended.
(4) The direction of basic dynamic load rating (C), basic static load rating (C0), and static moment rating (T0, TX, TY) are shown in the
sketches below. The upper values of TX and TY are for one slide unit and the lower values are for two slide units in close contact.
(5) The shapes of grease nipple vary by size. The specifications are shown in Table 15 on page Ⅱ-188.
Remark: A grease nipple mounting thread hole is provided on the right and left end plates respectively.
IKO LRXSG 20 Example of identification number of assembled set


