

IKO LRWX 75-B Linear Roller Way X
IKO LRWX 75-B Description
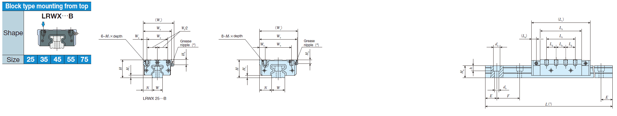
| Identification number | Mass (Ref.) | Dimensions of assembly mm | Dimensions of slide unit mm | Dimensions of track rail mm | Appended mounting bolt for track rail(2)
Bolt size×R | Basic dynamic load rating(3)
C N | Basic static load rating(3)
C0 N | Static moment rating(3) | ||||||||||||||||||||||
| LRWX series (No C-Lube) | Slide unit kg | Track rail kg/m | H | H1 | N | W1 | W2 | W3 | W4 | L1 | L2 | L3 | L5 | L6 | M1× depth | H3 | W | H4 | d3 | d4 | h | E | F | T0 N・m | TX N・m | TY N・m | ||||
| LRWX 25…B | 0.93 | 3.70 | 40 | 6 | 20 | 69 | 63 | 46 | 8.5 | 109 | 45 | 74.4 | 11 | - | M 6× 9 | 11 | 23 | 26 | 7 | 11 | 9 | 30 | 60 | M 6×28 | 32 700 | 70 300 | 1 110 | 885 5 170 | 885 5 170 | |
| LRWX 35…B | 2.65 | 6.66 | 48 | 6.5 | 32.5 | 103 | 100 | 70 | 15 | 154 | 75 | 108.4 | 12.8 | 25 | M10×12 | 10 | 35 | 32 | 11 | 17.5 | 14 | 30 | 60 | M10×35 | 49 900 | 91 100 | 2 150 | 1 660 9 450 | 1 660 9 450 | |
| LRWX 45…B | 5.32 | 10.3 | 60 | 8 | 37.5 | 125 | 120 | 82 | 19 | 205 | 105 | 144 | 18.5 | 35 | M12×16 | 14.5 | 45 | 39 | 14 | 20 | 16 | 40 | 80 | M12×40 | 93 300 | 167 000 | 5 000 | 4 030 23 000 | 4 030 23 000 | |
| LRWX 55…B | 9.09 | 15.3 | 70 | 9 | 42.5 | 142 | 140 | 95 | 22.5 | 262 | 135 | 189 | 24.5 | 45 | M12×18 | 16 | 55 | 47 | 18 | 26 | 21 | 50 | 100 | M16×50 | 186 000 | 330 000 | 12 200 | 10 700 57 900 | 10 700 57 900 | |
| LRWX 75…B | 19.0 | 25.1 | 90 | 10 | 52.5 | 190 | 180 | 123 | 28.5 | 346 | 180 | 240 | 45 | 60 | M16×25 | 20 | 75 | 57 | 26 | 39 | 30 | 60 | 120 | M24×60 | 298 000 | 518 000 | 25 200 | 20 900 121 000 | 20 900 121 000 | |

IKO LRWX 75-B Nots
Notes (1) Track rail lengths L are shown in Table 2 on page Ⅱ-221.
(2) The appended track rail mounting bolts are hexagon socket head bolts equivalent to JIS B 1176.
(3) The direction of basic dynamic load rating (C), basic static load rating (C0), and static moment rating (T0, TX, TY) are shown in the
sketches below. The upper values of TX and TY are for one slide unit and the lower values are for two slide units in close contact.
(4) The shapes of grease nipple vary by size. The specifications are shown in Table 10 on page Ⅱ-225.
IKO LRWX 75-B Example of identification number of assembled set



