

IKO CRWU 145-610* Crossed Roller Way Unit
IKO CRWU 145-610* Description
| Identification number | Mass (Ref.)
kg | Nominal dimensions and tolerances mm | Table mounting dimensions mm | Bed mounting dimensions mm | Basic dynamic load rating C N | Basic static load rating C0 N | Allowable load F N | Static moment rating T0 N・m | ||||||||||||||||||||||||||||
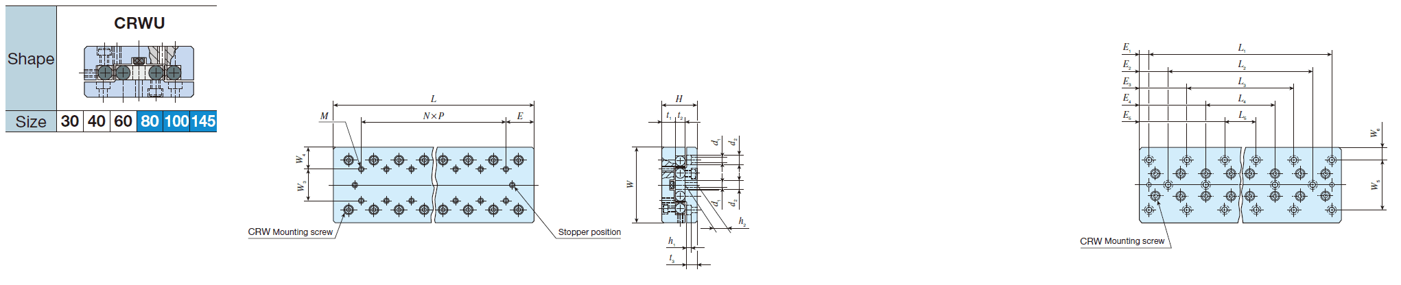
| L | t1 | t2 | t3 | Maximum stroke length | W3 | W4 | N×P | E | M | W5 | W6 | L1 | E1 | L2 | E2 | L3 | E3 | L4 | E4 | L5 | E5 | d1 | d2 | h1 | h2 | |||||||||||
| W | Dim. W tolerance | H | Dim. H tolerance | |||||||||||||||||||||||||||||||||
| CRWU 80- 85 | 1.8 |
80 |
±0.1 |
35 |
±0.1 | 85 |
13 |
11 |
10.5 | 50 |
40 |
20 | - |
42.5 |
M5 |
60 |
10 | 65 | 10 |
- |
- | - | - |
- |
- |
- |
- |
5.5 |
9.5 |
6 |
11 | 6 640 | 9 400 | 3 130 | 188 | |
| CRWU 80-125 | 2.6 | 125 | 75 | 1× 40 | 80 |
22.5 | 9 130 | 14 100 | 4 700 | 282 | ||||||||||||||||||||||||||
| CRWU 80-165 | 3.4 | 165 | 105 | 2× 40 | 120 | 10 300 | 16 500 | 5 480 | 329 | |||||||||||||||||||||||||||
| CRWU 80-205 | 4.2 | 205 | 135 | 3× 40 | 160 | 80 |
62.5 | 12 500 | 21 200 | 7 050 | 423 | |||||||||||||||||||||||||
| CRWU 80-245 | 5.1 | 245 | 155 | 4× 40 | 200 | 120 | 14 700 | 25 900 | 8 620 | 517 | ||||||||||||||||||||||||||
| CRWU 80-285 | 5.9 | 285 | 185 | 5× 40 | 240 | 160 | 16 700 | 30 600 | 10 200 | 611 | ||||||||||||||||||||||||||
| CRWU 80-325 | 6.7 | 325 | 215 | 6× 40 | 280 | 200 | 120 | 102.5 | 18 700 | 35 300 | 11 800 | 705 | ||||||||||||||||||||||||
| CRWU 100-110* | 3.6 |
100 |
±0.15 |
45 |
±0.1 | 110 |
16 |
15 |
13 | 60 |
50 |
25 | - |
55 |
M6 |
60 |
20 | 90 |
10 | - | - |
- |
- |
- |
- |
- |
- |
7 |
11 |
6.5 |
14 | 13 900 | 18 500 | 6 150 | 415 | |
| CRWU 100-160* | 5.2 | 160 | 95 | 1× 50 | 140 | 16 600 | 23 100 | 7 690 | 519 | |||||||||||||||||||||||||||
| CRWU 100-210* | 6.9 | 210 | 130 | 2× 50 | 190 | 90 |
60 | 21 600 | 32 300 | 10 800 | 727 | |||||||||||||||||||||||||
| CRWU 100-260* | 8.5 | 260 | 165 | 3× 50 | 240 | 140 | 26 300 | 41 500 | 13 800 | 934 | ||||||||||||||||||||||||||
| CRWU 100-310* | 10.2 | 310 | 200 | 4× 50 | 290 | 190 | 30 800 | 50 700 | 16 900 | 1 140 | ||||||||||||||||||||||||||
| CRWU 100-360* | 11.8 | 360 | 235 | 5× 50 | 340 | 240 | 140 | 110 | 35 100 | 60 000 | 20 000 | 1 350 | ||||||||||||||||||||||||
| CRWU 100-410* | 13.5 | 410 | 265 | 6× 50 | 390 | 290 | 190 | 37 200 | 64 600 | 21 500 | 1 450 | |||||||||||||||||||||||||
| CRWU 145-210* | 13.2 |
145 |
±0.2 |
60 |
±0.1 | 210 |
21 |
22 |
16 | 130 |
85 |
30 | - |
105 |
M8 |
90 |
27.5 | 100 |
55 | - | - |
- |
- |
- |
- |
- |
- |
9 |
14 |
8.5 |
17.5 | 39 400 | 52 800 | 17 600 | 1 900 | |
| CRWU 145-310* | 19.6 | 310 | 180 | 1×100 | 200 | 61 200 | 92 300 | 30 800 | 3 320 | |||||||||||||||||||||||||||
| CRWU 145-410* | 25.9 | 410 | 350 | 2×100 | 300 | 100 |
155 | 67 900 | 106 000 | 35 200 | 3 800 | |||||||||||||||||||||||||
| CRWU 145-510* | 32.2 | 510 | 450 | 3×100 | 400 | 200 | 74 400 | 119 000 | 39 600 | 4 270 | ||||||||||||||||||||||||||
| CRWU 145-610* | 38.6 | 610 | 550 | 4×100 | 500 | 300 | 100 | 255 | 87 100 | 145 000 | 48 400 | 5 220 | ||||||||||||||||||||||||
| CRWU 145-710* | 45.0 | 710 | 650 | 5×100 | 600 | 400 | 200 | 99 200 | 172 000 | 57 200 | 6 170 | |||||||||||||||||||||||||
| CRWU 145-810* | 51.3 | 810 | 750 | 6×100 | 700 | 500 | 300 | 100 | 355 | 111 000 | 198 000 | 66 000 | 7 120 | |||||||||||||||||||||||

