

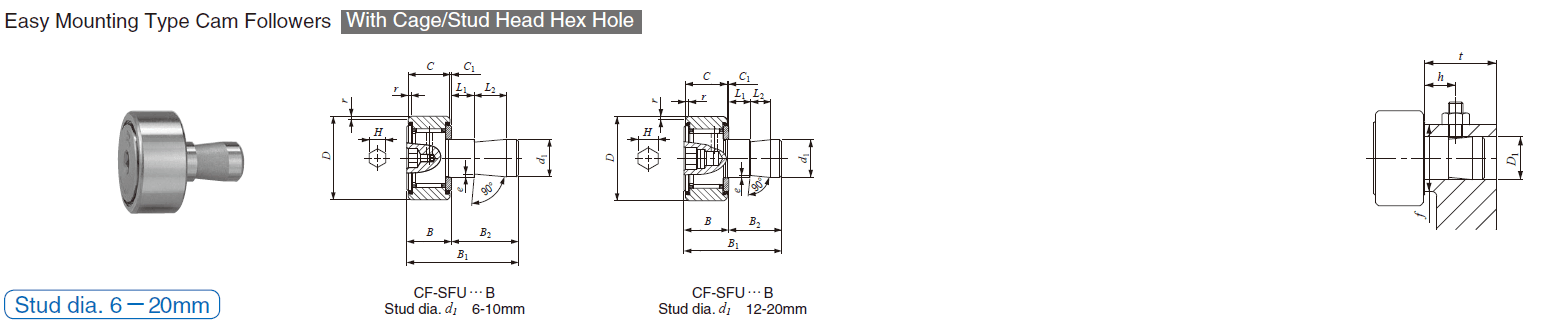
IKO CF-SFU-20 B,CF-SFU-20-1 B CAM FOLLOWERS
IKO CF-SFU-20 B,CF-SFU-20-1 B Description
| Stud dia. mm | Identification number | Mass (Ref.)
g | Boundary dimensions mm | |||||||
| D | C | d1 | B max | B1 max | B2 | C1 | L1 | |||
| 6 | CF-SFU- 6 B | 19.5 | 16 | 11 | 6 | 12.2 | 32 | 19.8 | 0.6 | 5 |
| 8 | CF-SFU- 8 B | 29 | 19 | 11 | 8 | 12.2 | 32 | 19.8 | 0.6 | 5 |
| 10 | CF-SFU-10 B CF-SFU-10-1 B | 44 59 | 22 26 | 12 12 | 10 10 | 13.2 13.2 | 33 33 | 19.8 19.8 | 0.6 0.6 | 5 5 |
| 12 | CF-SFU-12 B CF-SFU-12-1 B | 94 104 | 30 32 | 14 14 | 12 12 | 15.2 15.2 | 35 35 | 19.8 19.8 | 0.6 0.6 | 5 5 |
| 16 | CF-SFU-16 B | 164 | 35 | 18 | 16 | 19.6 | 44.5 | 24.9 | 0.8 | 10 |
| 18 | CF-SFU-18 B | 235 | 40 | 20 | 18 | 21.6 | 46.5 | 24.9 | 0.8 | 10 |
| 20 | CF-SFU-20 B CF-SFU-20-1 B | 435 360 | 52 47 | 24 24 | 20 20 | 25.6 25.6 | 50.5 50.5 | 24.9 24.9 | 0.8 0.8 | 10 10 |
| Mounting dimensions mm | Basic dynamic load rating C
N | Basic static load rating C0 N | Maximum allowable static load
N | ||||||||
| L2 | H | e | r (1) s min | t Min. | f Min. | h (Ref.) | |||||
| D1 | Tolerance | ||||||||||
| 10 | 3 | 0.3 | 0.3 | 6 | + 0.012 0 | 20 | 11 | 10 | 3 660 | 3 650 | 1 950 |
| 10 | 4 | 0.5 | 0.3 | 8 | + 0.015 0 | 20 | 13 | 10 | 4 250 | 4 740 | 4 620 |
| 10 10 | 4 4 | 0.5 0.5 | 0.3 0.3 | 10 10 | 20 20 | 16 16 | 10 10 | 5 430 5 430 | 6 890 6 890 | 6 890 6 890 | |
| 10 10 | 6 6 | 1 1 | 0.6 0.6 | 12 12 | + 0.018 0 | 20 20 | 21 21 | 10 10 | 7 910 7 910 | 9 790 9 790 | 9 790 9 790 |
| 10 | 6 | 1 | 0.6 | 16 | 25 | 26 | 15 | 12 000 | 18 300 | 18 300 | |
| 10 | 8 | 1 | 1 | 18 | 25 | 29 | 15 | 14 800 | 25 200 | 25 200 | |
| 10 10 | 8 8 | 1 1 | 1 1 | 20 20 | + 0.021 0 | 25 25 | 34 34 | 15 15 | 20 700 20 700 | 34 600 34 600 | 34 600 34 600 |

IKO CF-SFU-20 B,CF-SFU-20-1 B Nots
Note(1) Minimum allowable value of chamfer dimension r
Remarks1. Models with a stud diameter d1 of 10 mm or less have an oil hole (re-greasing fitting) at the head. Other models are provided with
an oil hole (grease nipple) at the head.
2. Provided with prepacked grease.
