

IKO LRXC 35 C-Lube Linear Roller Way Super MX
IKO LRXC 35 Description
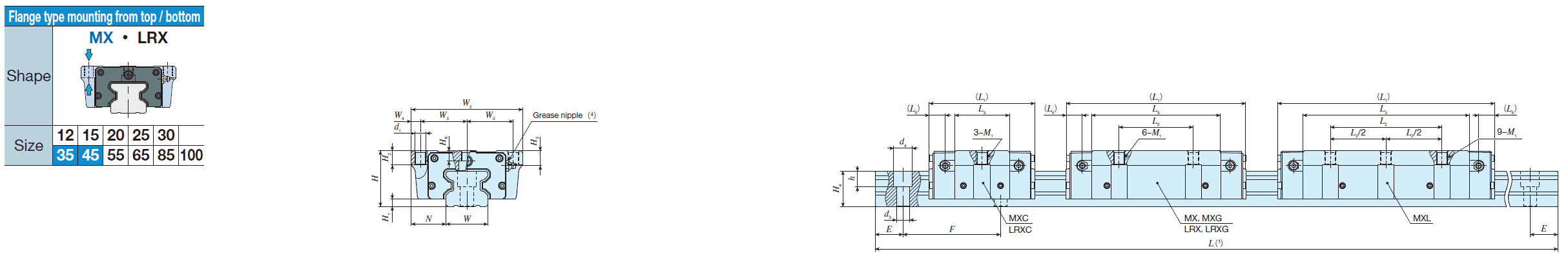
| Identification number | Interchangeable | Mass (Ref.) | Dimensions of assembly mm | Dimensions of slide unit mm | Dimensions of track rail mm | Appended mounting bolt for track rail(2)
Bolt size×R | Basic dynamic load rating(3)
C N | Basic static load rating(3)
C0 N | Static moment rating(3) | |||||||||||||||||||||||||
| MX series | LRX series (No C-Lube) | Slide unit kg | Track rail kg/m | H | H1 | N | W2 | W3 | W4 | L1 | L2 | L3 | L5 | d1 | M1 | H2 | H3 | H5 | W | H4 | d3 | d4 | h | E | F | T0 N・m | TX N・m | TY N・m | ||||||
| MXC 35 | ○ | 1.13 |
6.88 |
48 |
6.5 |
33 |
100 |
41 |
9 | 92 | - | 46.6 | 12.7 |
8.5
|
M10 |
13 |
13 |
7 |
34 |
32 |
9 |
14 |
12 |
40 |
80 |
M 8×35 | 39 500 | 60 000 | 1 300 | 506 3 950 | 506 3 950 | |||
| LRXC 35 | ○ | 12.5 | ||||||||||||||||||||||||||||||||
| MX 35 | ○ | 1.76 | 124 | 62 | 78.6 | 12.7 | 58 700 | 100 000 | 2 170 | 1 360 8 470 | 1 360 8 470 | |||||||||||||||||||||||
| LRX 35 | ○ | 12.5 | ||||||||||||||||||||||||||||||||
| MXG 35 |
35 | ○
○ | 2.41 | 152 | 106.6 | 12.7 12.5 | 74 200 | 135 000 | 2 930 | 2 440 13 800 | 2 440 13 800 | |||||||||||||||||||||||
| LRXG | ||||||||||||||||||||||||||||||||||
| MXL 35 | - | - | 3.00 | 184 | 100 | 138.6 | 12.7 | 90 800 | 175 000 | 3 800 | 4 060 21 300 | 4 060 21 300 | ||||||||||||||||||||||
| MXC 45 | LRXC 45 | ○ | 2.11 | 10.8 | 60 | 8 | 37.5 | 120 | 50 | 10 | 114 | - | 59 | 17.5 | 10.5 | M12 | 15 | 16 | 11 | 45 | 38 | 14 | 20 | 17 | 52.5 | 105 | M12×40 | 64 100 | 95 600 | 2 660 | 1 010 7 800 | 1 010 7 800 | ||
| MX 45 | LRX 45 | ○ | 3.26 | 154 | 80 | 99 | 95 400 | 159 000 | 4 430 | 2 700 16 800 | 2 700 16 800 | |||||||||||||||||||||||
| MXG 45 | LRXG 45 | ○ | 4.60 | 194 | 139 | 124 000 | 223 000 | 6 200 | 5 220 29 000 | 5 220 29 000 | ||||||||||||||||||||||||
| MXL 45 | - | - | 5.66 | 234 | 120 | 179 | 151 000 | 287 000 | 7 980 | 8 560 44 400 | 8 560 44 400 | |||||||||||||||||||||||

IKO LRXC 35 Nots
Notes (1) Track rail lengths L are shown in Table 2.1 on page Ⅱ-175 and Table 2.3 on page Ⅱ-176 .
(2) The appended track rail mounting bolts are hexagon socket head bolts equivalent to JIS B 1176. In an assembled set of MX series,
track rail mounting bolts are not appended.
(3) The direction of basic dynamic load rating (C), basic static load rating (C0), and static moment rating (T0, TX, TY) are shown in the
sketches below. The upper values of TX and TY are for one slide unit and the lower values are for two slide units in close contact.
(4) The shapes of grease nipple vary by size. The specifications are shown in Table 15 on page Ⅱ-188.
Remark: Three grease nipple mounting thread holes are provided on the right and left end plates respectively
IKO LRXC 35 Example of identification number of assembled set



